|
|
|||||||||||||||||||||||||||||||||||||








|
| 該信息由好美家裝潢建材超市提供 |
換氣扇選購指南
排氣扇、換氣扇種類:
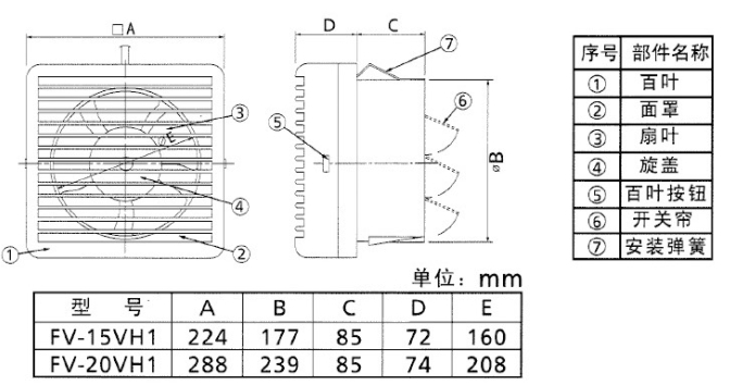
1、百葉窗式換氣
2、窗玻璃安裝式換氣扇(櫥窗式)
3、天花板換氣扇
4、自由進氣型換氣扇(管道式)
5、全導管型換氣扇系列
如何選擇排氣扇類型
1、當需要安裝換氣扇的場所裝有天花板,而且天花板上部有直接排往外部空間的出風口時,可選用天花板式換氣扇。
2、當安裝換氣扇的地方裝有天花板,且天花板上方預留裝有排往室外的管道時,應該選用管道式換氣扇,利用其較高的風壓往外排氣。
3、當需要通過裝在天花板上的管道向室外排氣,或大型樓宇用于加速管道內氣體流速時,可選用隱蔽式排氣的全導管型換氣扇。
4、當直接安裝在墻壁的孔洞上,將室內污濁空氣排往室外吸進新鮮空氣時,應該選用百葉窗式換氣扇,百葉窗式換氣扇在安裝方式上屬于隔墻式換氣扇。
5、當需要安裝于居室、商場、賓館、辦公室及娛樂場所的玻璃門窗上時,應選用櫥窗式換氣扇。
如何安裝排氣扇
排氣扇可以自己接線,接線要區分零線、地線和火線。火線顏色鮮艷,零線顏色深沉,地線上一般有一條其它顏色的道道。賣排氣扇的一般也有插頭和電線賣,三根線不要截得一樣齊,應相互錯開。尺寸應選擇稍小的,25的就可以,木楔固定(自己找根木頭削)。相信你將排氣扇接好后會很有成就感的。接反了是不會反轉的,因為排氣扇不是直流電機,大膽的接線,接錯了是不會轉的,也不會燒掉。
安裝換氣扇時,可按該型號的送風量計算需要安裝的數目。計算公式參考數據如下

小提示:
1.煤氣泄漏千萬別開排氣扇
當發現家里煤氣泄漏時,許多人的第一反應就是開排氣扇,但是在按動開關的一剎那,往往就會發生爆炸!
2.定期檢查可排隱患
據有關專家介紹,煤氣泄漏的原因主要有三個方面:第一,許多家庭都不會定期檢查或更換鋼瓶,導致瓶底腐蝕穿孔;第二,許多人使用完液化氣后不關總閥,導致鋼瓶與液化氣灶或熱水器之間的軟管老化,還有接口脫落,甚至有老鼠咬破軟管等情形;第三,有些人在修理液化氣灶或熱水器時不關氣體閥門,結果在修理過程中由于漏氣發生爆炸。
專家建議市民用煤氣要養成良好習慣,用后一定要關閉總閥門,在臨睡前和出門前要檢查煤氣是否關好,并且還要定期檢測、更換液化氣罐、軟管、接口等。當發現家中的煤氣泄漏時,首先檢查閥門是否已關,然后盡量輕手輕腳地開窗,最后到屋外關上門后再打電話給煤氣公司前來處理。千萬不能開排氣扇,當煤氣充滿一定空間之后,任何火花(包括化纖衣服摩擦產生的靜電火花)都可能引爆氣體!
小貼士:燒傷的緊急處理
1、首先讓傷者離開火源,不要大喊大叫,以免燒傷呼吸道,在火場中不能跑動,以免燒傷更厲害。
2、不要讓傷者喝水,防止胃擴張。
3、不要涂任何藥膏,如果燒傷面積小于20%(即傷者的20個手掌大小)可以用自來水沖洗半個小時左右,如果大面積燒傷,沖洗10-15分鐘即可,然后用干凈的被單把創面包裹起來送醫院治療。
阿詩丹頓
熱水器 BY6
25L
阿詩丹頓
熱水器 BY7-25L
25L
正野
排氣扇換氣扇 APC15E
200mm×200mm
BNN貝萊爾
排氣扇換氣扇 6寸墻壁百葉式AE-15A
250mm×250mm
阿詩丹頓
熱水器 C5-40L
40L
阿詩丹頓
熱水器 B11-60l
60L
正禾
排氣扇換氣扇 ZH-011
4寸
金羚
排氣扇換氣扇 A003772
29×29mm
